- 商品描述
- 商品询价热度
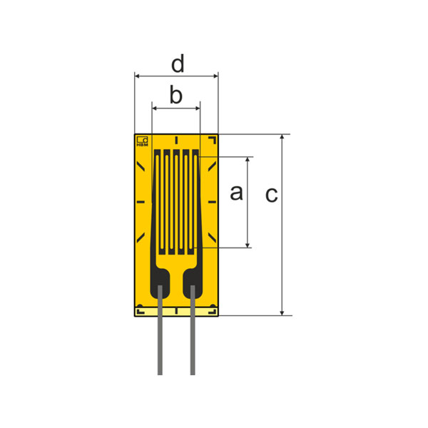
德国HBM LC1 单直片应变片

型号 | 额定电阻 | 尺寸[mm/inch] | 激励电压 | 焊接端子 | 推荐类型 | |||
测量栅丝 | 基底 | |||||||
Ω | a | b | c | d | ||||
1-LC11-3/120 | 120 | 3 | 3.3 0.13 | 8.5 0.335 | 15.5 0.217 | 6 | LS5 | 1 |
| 1-LC11-6/120 | 120 | 6 | 3.2 0.126 | 12 0.472 | 15.5 0.217 | 9 | LS5 | 1 |
| 1-LC1x-10/120 | 120 | 10 | 3.2 0.126 | 16 0.63 | 15.5 0.217 | 11 | LS5 | - |
| 1-LC1x-1.5/350 | 350 | 1.5 0.059 | 3.3 | 6.4 0.252 | 15.5 0.217 | 6 | LS5 | 1 |
| 1-LC1x-3/350 | 350 | 3 0.118 | 3.4 0.134 | 8.5 0.335 | 15.5 0.217 | 10 | LS5 | 1 |
| 1-LC1x-6/350 | 350 | 6 0.236 | 3.3 0.13 | 12 0.472 | 15.5 0.217 | 14 | LS5 | 1 |
| 1-LC1x-10/350 | 350 | 10 0.394 | 3.3 0.13 | 16 0.63 | 15.5 0.217 | 18 | LS5 | 1 |


线上咨询

